رمز الاستجابة السريعة
منتجات
اتصل بنا


فاكس
+86-574-87168065

بريد إلكتروني

عنوان
منطقة Luotuo الصناعية ، مقاطعة Zhenhai ، مدينة نينغبو ، الصين
تم إجراء اقتران عالمي من نوع Raydafon بدون فليكس من نوعه للاقتران العالمي للانتقال العالي في الآلات الثقيلة-التفكير في معدات المعادن ، الرافعات ، أنظمة التعدين ، جميع الإعدادات الصعبة التي تحتاج إلى طاقة ثابتة. إنه يحتوي على تصميم شفة غير مرن ، وأقطار الجيور التي تتراوح من 160 مم إلى 640 مم ، وهذا من النوع الشفة يتولى التوصيل العالمي اختلالًا زاويًا كبيرًا بالإضافة إلى سرعات دوارة مستمرة لا توجد مشكلة ، حتى عند العمل في ظروف صعبة للغاية. نحن نستخدم الصلب 35Crmo عالي القوة لبناءه ، لذلك فهو يقف إلى أحمال مكثفة تمامًا-بشكل مثالي لماذا هو اختيار أفضل للربطات العالمية للآلات الثقيلة والتوصيلات العالمية غير الإقليمية للتطبيقات الصناعية. يتأكد التصنيع الدقيق لـ Raydafon من أنه يوفر أداءً قويًا في كل مرة ، خاصة بالنسبة للصناعات التي لا يمكن أن تتنازل عن توصيل عزم الدوران المتسق.
تم تصميم هذا الاقتران العالمي SWC-WF ، مع اتصال شفة جامد يجعل التثبيت سهلاً في أنظمة مثل محركات بناء السفن ومطاحن المتداول-حيث لا تكون الحركة المحورية كثيرًا. نحن نتبع معايير ISO 9001 بدقة ، ويستخدم مصنعنا الذي يتخذ من الصين مقراً له ، فحوصات جودة ضيقة لجعل هذا الاقتران الشامل الدائم. إنه يأتي بأحجام قابلة للتخصيص ، مع تصنيفات عزم الدوران تصل إلى 1250 كيلو نيوتن م ، لذلك تناسبها مباشرة مع توصيلات عالمية مخصصة لمعدات المعادن وغيرها من الإعدادات الشاقة. يقدم Raydafon أيضًا حلولًا مخصصة بأسعار تنافسية ، مما يساعد على تقليل وقت التوقف عن العمل وزيادة موثوقية المعدات الخاصة بك.
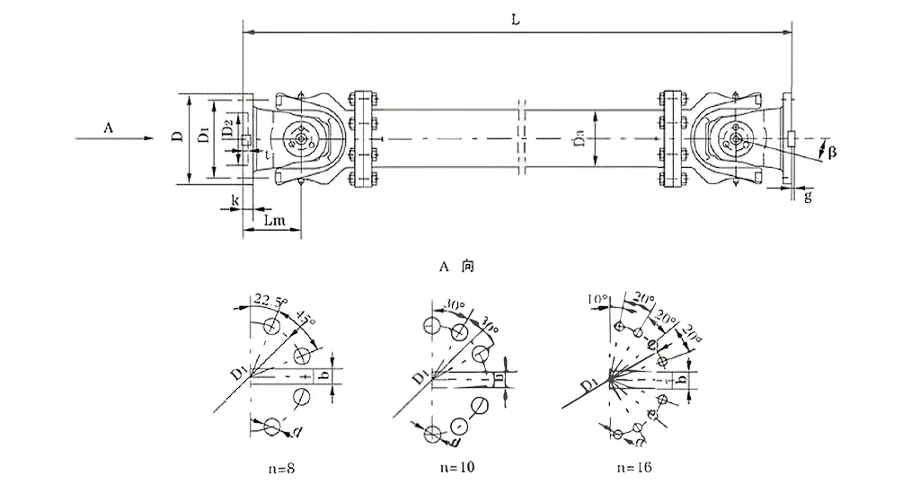
| لا. | قطر الجريمة د مم | عزم الدوران الاسمي تينيسي kn · م | محاور طية الزاوية β (°) | عزم الدوران المرهق TF kn · م | الحجم (مم) | الجمود الدوار كجم2 | الوزن (كجم) | |||||||||||
| lmin | D1 (JS11) | D2 (H7) | D3 | LM | اختصار الثاني | k | t | b (h9) | g | lmin | يزيد 100 مم | lmin | يزيد 100 مم | |||||
| SWC285WF | 285 | 90 | 45 | ≤15 | 810 | 245 | 170 | 194 | 160 | 8-21 | 27 | 7 | 40 | 15 | 2.664 | 0.051 | 220 | 6.3 |
| SWC315WF | 315 | 125 | 63 | 915 | 280 | 185 | 219 | 180 | 10-23 | 32 | 8 | 40 | 15 | 4.469 | 0.0795 | 300 | 8.0 | |
| SWC350WF | 350 | 180 | 90 | 980 | 310 | 210 | 267 | 194 | 10-23 | 35 | 8 | 50 | 16 | 7.388 | 0.2219 | 412 | 15.0 | |
| SWC390WF | 390 | 250 | 125 | 1100 | 345 | 235 | 267 | 215 | 10-25 | 40 | 8 | 70 | 18 | 13.184 | 0.2219 | 588 | 15.0 | |
| SWC440WF | 440 | 355 | 180 | 1290 | 390 | 255 | 325 | 260 | 16-28 | 42 | 10 | 80 | 20 | 23.250 | 0.4744 | 880 | 21.7 | |
| SWC490WF | 490 | 500 | 250 | 1360 | 435 | 275 | 325 | 270 | 16-31 | 47 | 12 | 90 | 22.5 | 40.750 | 0.4744 | 1173 | 21.7 | |
| SWC550WF | 550 | 710 | 355 | 1510 | 492 | 320 | 426 | 305 | 16-31 | 50 | 12 | 100 | 22.5 | 68.480 | 1.3570 | 1663 | 34.0 | |
| SWC620WF | 620 | 1000 | 500 | 1690 | 555 | 380 | 426 | 340 | 10-38 | 55 | 12 | 100 | 25 | 127.530 | 1.3570 | 2332 | 34.0 | |
* 1.
* 2. طول الثابت ، وهو وفقًا للمتطلبات.
يعمل SWC-WF من Raydafon بدون اقتران مفصل عالمي من نوع Raydafon-والذي يطلق عليه أيضًا اقتران مفصل SWC Cardan Universal-على فكرة ميكانيكية أساسية: إنه يحصل على عزم الدوران من مهاويين غير خطيين إلى حيث يحتاج إلى الذهاب ، ويتعامل مع الاختلال أيضًا. يستخدم اقتران المفصل العالمي عالي TORQUE إعدادًا متقاطعًا لربط الشفاه على كلا الطرفين ، لذلك حتى عندما يتم تعويض الأعمدة بنسبة تصل إلى 25 درجة أو لها انحرافات محورية/شعاعية ، فإنها لا تزال تحرك قوة الدوران بسلاسة.
إن قلب كيفية عمله هو تصميم المفصل العالمي - هناك عمود متقاطع يعمل مثل المحور ، مما يتيح لكل شفة تحرك من تلقاء نفسها. وبهذه الطريقة ، ينتقل عزم الدوران من عمود القيادة إلى العمود المدفوع بكفاءة ، ويعوض اختلال الزاوي دون وضع الكثير من الضغط على الأجزاء التي يرتبط بها. إذا كنت بحاجة إلى اقتران مفصل عالمي موثوق به لعمليات مطحنة المتداول ، فإن هيكل الحافة الصارمة غير المرنة يحافظ على الأشياء المستقرة ، وهو مثالي لاتصالات المسافات القصيرة في إعدادات الآلات الثقيلة المدمجة.
ما يجعل وظيفتها تبرز هو أنه ليس لديها أجزاء مرنة أو ميزات تمدد - وهذا يميزها عن الأنواع الأخرى ويجعلها رائعة للأماكن التي تكون فيها الحركة المحورية ضئيلة. يميل اقتران عمود SWC العالمي المتين الذي نستخدمه في معدات الرفع ومعالجة المواد على هذا المبدأ للبقاء متوازنا حتى تحت الأحمال الكبيرة ؛ إنه يضرب كفاءات الإرسال تصل إلى 98.6 ٪ ولا تضيع الكثير من الطاقة. يقلل هذا الاقتران المفصل العالمي الصناعي أيضًا من الاهتزازات بفضل حركة المحمل الدقيقة ، لذلك فهو يعمل بسلاسة حتى في المواقف عالية الضغط-تمامًا مثل أنظمة اقتران المفاصل الشاملة للآلات الثقيلة التي تراها في الوظائف الصناعية الصعبة.
بالإضافة إلى ذلك ، فإن اقتران المفصل الشاق في SWC من Raydafon يحتوي على شفات ملحومة لجعله أكثر ثباتًا-لا يوجد أكثر قلقًا بشأن البراغي التي تنفجر ، ويعزز القوة الإجمالية بنسبة 30 ٪ إلى 50 ٪. باعتباره اقتران مفصل عالمي فعال لنقل الطاقة الكبير ، فإنه يتعامل مع عزم الدوران الاسمي من 0.15 إلى 1000 كيلو نيوتن (م) وله أقطار التذاكر من φ58 إلى φ620-مما يجعله اختيارًا أفضل لحلول اقتران المفاصل العالمية الموفرة للطاقة في الطلب الصناعي. ومع الحفاظ على الضوضاء ما بين 30 إلى 40 ديسيبل (أ) ، فإن هذا الاقتران الشامل منخفض الضوضاء يمتد هدوءًا ، وهو مثالي للبقع الصناعية حيث تشكل الضوضاء مصدر قلق ، مع الحفاظ على معايير الموثوقية العالية.
إن اقتران مفصل SWC العالمي لـ Raydafon - الذي يطلق عليه SWC Cardan Shaft Universal Consist - ليس مجرد جزء منتظم ؛ إنه أمر لا بد منه بالنسبة للإعدادات الصناعية الشاقة ، مثل المطاحن المتداول ، والآلات الرفع ، وجميع أنواع أنظمة الآلات الثقيلة الصعبة. بصفته اقترانًا عالميًا عالميًا ، يقوم بعمل وظيفة صلبة تربط مهاوي الإرسال لا يصطفان بشكل مثالي ، مع التأكد من أن الطاقة تستمر في التدفق حتى عندما تصبح ظروف العمل قاسية.
دعنا نتحدث عن المواصفات الرئيسية الخاصة به: يتراوح قطر الجيام من φ58 إلى φ620 ، ينتقل عزم الدوران الاسمي من 0.15 إلى 1000 كيلو نيوتن م ، وزاوية طية المحور لا تزيد عن 25 درجة.
يضيء هذا المنتج حقًا في سيناريوهات محددة-مثل عندما تحتاج إلى اقتران مفصل عالمي موثوق به لعمليات الطاحونة المتداول ، أو اقتران عمود مفصل عالمي SWC متين في معدات الرفع ومعالجة المواد. في هذه الحالات ، يثبت قيمته عن طريق الحفاظ على العمليات مستقرة ، حتى عندما تتعامل مع الأحمال الثقيلة.
لم يتم تصميم اقتران المفصل العالمي من Raydafon فقط للوظيفة-إنه مصمم بتصميم ذكي للاستخدام الصناعي ومواصلة الأداء على المدى الطويل. دعنا نتفكك ما يجعل هيكله يبرز.
أولاً ، يحتوي على تكوين معقول وآمن: استخدمنا تصميم رأس شوكة متكامل لهذا الاقتران المفصل العالمي الصناعي ، والذي يقلل من المخاطر مثل البراغي السائبة أو كسرها. هذا وحده يعزز سلامته الهيكلية بنسبة 30 ٪ -50 ٪ ، لذلك يعمل بأمان وموثوقية. بالمقارنة مع التوصيلات العادية ، فإنه يستمر لفترة أطول ويتجنب الانهيارات الشائعة في المواقع عالية الضغط-مثل أنظمة اقتران المفاصل الشاملة للآلات الثقيلة التي تراها في الوظائف الصعبة.
ثم هناك قدرتها على الحمل المحسّنة: تم تقديم اقتران المفصل الشامل للخدمة الشاقة هذا للتعامل مع الأوزان الكبيرة ، لذلك فهو أمر لا بد منه في الأماكن التي تحتاج إلى إدارة حمولة من الدرجة الأولى ، مثل تعدين أو آلات البناء.
كما يوفر كفاءة عالية في الإرسال - حيث تصل إلى 98.6 ٪. باعتباره اقتران مفصل عالمي فعال لنقل الطاقة الكبير ، فإنه يقلل من استخدام الطاقة والتكاليف التي تأتي معها. لهذا السبب يعد خيارًا أفضل لحلول اقتران المفاصل العالمي الموفر للطاقة في إعدادات الإرسال الصناعية عالية الطاقة.
ويتم تشغيله بسلاسة مع ضوضاء منخفضة: فهو يبقي ناقل الحركة ثابتًا ، وعادة ما يبقى الضوضاء ما بين 30-40 ديسيبل (أ). يتأكد هذا الاقتران الشامل للمواصفات العالمية من أن العمليات تظل هادئة ، وهو مثالي للأماكن التي يمثل فيها الضوضاء مشكلة-كل ذلك مع الحفاظ على الموثوقية على مستوى عالٍ.
⭐⭐⭐⭐⭐ تشن ليانغ ، مهندس الإنتاج ، شركة Zhejiang Machinery Co. ، Ltd.
نضع SWC-WF من Raydafon بدون فليكس فلينج نوع اقتران عالمي على أحد خطوط الإنتاج الخاصة بنا ، وكان يعمل بشكل رائع حتى الآن. كان الهيكل بسيطًا ولكنه صعب - حيث كان نسيمًا ، ولا خطوات معقدة. بمجرد إعداده ، يتم تشغيله على نحو سلس ، ولا حاجة إلى تعديلات إضافية. حتى عندما يكون الحمل الثقيل ، يبقى هذا الاقتران موثوقًا به ، مما يعني أنه يمكننا الحفاظ على الآلات التي تعمل بالساعات الطويلة دون القلق أكثر من اللازم - مما يمنحنا إلى حد كبير راحة البال.
⭐⭐⭐⭐⭐ Sun Mei ، المشرف على المشتريات ، شركة Hebei Steel Co. ، Ltd.
اشترت شركتنا العديد من SWC-WF بدون توصيلات عالمية من نوع Flex Flex من Raydafon ، و First Off ، كان التسليم في الوقت المحدد ، وكانت العبوة حذرة أيضًا-لا أضرار على الإطلاق. ما يبرز حقًا بالنسبة لي هو ما قاله فريق ورشة العمل: لقد أخبروني أن التوصيلات كانت سهلة التثبيت ، وعند استخدامها ، يشعرون بالصلابة حقًا. بالإضافة إلى ذلك ، بالمقارنة مع الموردين الآخرين ، فإن السعر هنا عادل. الكل في الكل ، نحن سعداء حقًا بهذا الشراء.
⭐⭐⭐⭐⭐ Guo Jun ، مدير الصيانة ، مجموعة صناعة Liaoning الثقيلة
مهمتي هي الحفاظ على تشغيل أجهزتنا ، وأحاول تقليل وقت التوقف قدر الإمكان. منذ أن بدأنا في استخدام SWC-WF من Raydafon بدون اقتران عالمي من نوع Flex Flange ، لاحظت فرقًا كبيرًا-ارتداء أقل من ذلك ، وأقل مشكلات أثناء التشغيل. التصميم صعب ، ولا يحتاج إلى الكثير من الصيانة. هذا يوفر لنا الوقت والمال على حد سواء ، واتضح أنه جزء من المعدات التي يمكن الاعتماد عليها.
Raydafon هي شركة تابعة رئيسية لشركة Ever-Power Group Co. ، Ltd.-نحن لسنا مجرد مورد ، ولكننا مزودًا لمكونات الإرسال عالية الجودة والحلول الصناعية ، ونحن نركز كثيرًا على المنتجات المبتكرة مثل اقتران SWC Cardan Universal Consoval. منذ أن بدأنا ، كنا كل شيء حول تقدم التكنولوجيا والنمو في الأسواق العالمية ؛ لم نتوقف عن بيع مكونات واحدة-الآن نحن نخدع حلول النظام الكامل التي تناسب الاحتياجات الصناعية الزراعية والشاقة بشكل مثالي. إن درايةنا في مهاوي القيادة ومنتجات الإرسال تعني أن العملاء الذين يحتاجون إلى اقتران مشترك عالمي موثوق به يمكن الاعتماد علينا كشريك قوي.
في Raydafon ، نقوم بصنع مجموعة واسعة من المنتجات: علب التروس ، وعمليات القيادة ، والأسطوانات الهيدروليكية ، والبكرات ، وحتى أدوات الآلات المتقدمة مثل مخارط CNC وآلات الطحن. تم تصميم حلول اقتران المفاصل العالمية العالية Torque-على سبيل المثال ، على سبيل المثال-للتعامل مع المتطلبات الصارمة للصناعات التي تحتاج إلى اقتران عمود مشترك عالمي SWC في معدات الرفع ومعالجة المواد. لقد حصلنا على مرافق متقدمة أيضًا: ورش عمل CNC ، وآلات الطحن والمعالجة الحرارية ، وأدوات القياس ثلاثية الأبعاد-كل ذلك للالتزام بمعايير ISO9001/TS16949 ، وبالتالي فإن كل اقتران مفصل عالمي صناعي نقدمه هو جودة عالية ودقيقة.
نبيع 80 ٪ من منتجاتنا في الخارج ، إلى أسواق مثل الولايات المتحدة وألمانيا واليابان وإيطاليا وماليزيا وأستراليا والشرق الأوسط. ولدينا شبكة قوية في أماكن مثل الصين وكوريا الجنوبية والمملكة المتحدة وسنغافورة والولايات المتحدة وإسبانيا لدعم ذلك. يتيح لنا هذا الوصول العالمي إنشاء حلول مخصصة ، مثل اقتران المفصل الشاق SWC الشاق-المصمم لأنظمة اقتران المفاصل الشاملة للآلات الثقيلة التي تحتاج إلى التعامل مع الأحمال الكبيرة وتدوم وقتًا طويلاً.
الابتكار وجعل العملاء سعداء هي أولوياتنا. نحن نقدم حلول اقتران المفاصل الشاملة لتوفير الطاقة والتي تصل إلى 98.6 ٪ من كفاءة الإرسال ، مما يقلل من التكاليف التشغيلية للإعدادات عالية الطاقة. سواء كنت بحاجة إلى اقتران عالمي فعال من أجل نقل الطاقة الكبير أو اقتران مفصل عالمي منخفض الضوضاء للأماكن التي تهم الضوضاء ، فإن منتجاتنا تأتي مع خدمة محترفة بعد البيع-ونحن نكرس القيام بالأمور بشكل صحيح. لهذا السبب يعد Raydafon أفضل اختيار لجميع احتياجات النقل الخاصة بك.
عنوان
منطقة Luotuo الصناعية ، مقاطعة Zhenhai ، مدينة نينغبو ، الصين
هاتف
بريد إلكتروني


+86-574-87168065


منطقة Luotuo الصناعية ، مقاطعة Zhenhai ، مدينة نينغبو ، الصين
حقوق الطبع والنشر © Raydafon Technology Group Co. ، محدودة جميع الحقوق محفوظة.
Links | Sitemap | RSS | XML | سياسة الخصوصية |
