رمز الاستجابة السريعة
منتجات
اتصل بنا


فاكس
+86-574-87168065

بريد إلكتروني

عنوان
منطقة Luotuo الصناعية ، مقاطعة Zhenhai ، مدينة نينغبو ، الصين
تم تصميم الاقتران الشامل من نوع SWC-DH من Raydafon لربط العمليات غير المحسوبة في المعدات الشاقة-التفكير في الطواحين المتداول ، والرافعات ، وآلات معالجة الصلب. إنه اقتران عالمي قصير مضغوط ، بقطر جيرة يتراوح من 45 ملم إلى 390 مم. حتى عندما يتم إيقاف المهاوي بنسبة تصل إلى 25 درجة (اختلال زاوي) ، فإنها لا تزال تتحرك عزم الدوران بكفاءة - حيث تصل إلى 1000 كيلو نيوتن ، والتي تتناسب مع احتياجات طاقة المعدات الثقيلة.
نجعلها مع فولاذ 35Crmo عالي القوة ونضيف أربعة محامل إبرة ، لذلك يحمل تحت الأحمال الثقيلة. لهذا السبب يعد اختيارًا قويًا للآلات الصناعية العالميات العالمية ، ويعمل بشكل رائع كقوائم عالمية ملحومة في المعدات الثقيلة في البقع التي تبقى فيها الأحمال عالية. يعد تصميمه القصير Flex مثاليًا للآلات ذات مساحة صغيرة للحركة المحورية أيضًا-حيث يعزز إصلاحًا صعبًا للمساحات الصناعية الصعبة.
Raydafon’s A Cannase Manufaction مع شهادة ISO 9001 ، لذلك نلتزم بقواعد جودة صارمة لكل اقتران عالمي SWC-DH. يحصل العمود المتقاطع على لوحة كروم لمحاربة التآكل ، لذلك يستمر حتى عندما تكون الظروف قاسية. إن نير الملحومة يجعل التثبيت أسهل أيضًا - فقط قم بتصنيف الأعمدة بشكل صحيح ، ويعمل في أفضل حالاته. ستجدها على أنظمة المعادن والتعدين والرافعة ، لا مشكلة.
بالإضافة إلى ذلك ، يأتي هذا الاقتران بأحجام مختلفة وتصنيفات عزم الدوران. إذا كنت بحاجة إلى اقتران عالمي مخصص للآلات الصناعية - من أجل الحصاد أو غيرها من المعدات المحددة - يمكننا تخصيصه وفقًا لتلبية احتياجاتك ، ويظل السعر قادرًا على المنافسة. لقد حصلنا على دراية التصنيع لجعل هذا الاقتران المرن القصير مقطوعًا في وقت تعطل المعدات ، وبالتالي فإن أجهزتك تعمل بشكل أكثر موثوقية بشكل عام.
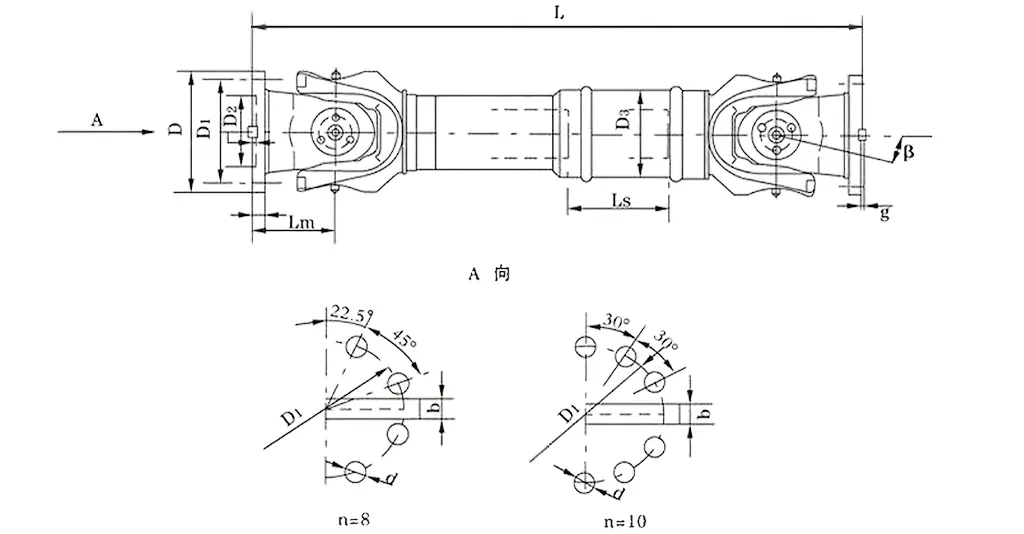
| لا. | قطر الجريمة د مم | عزم الدوران الاسمي تينيسي kn · م | محاور طية الزاوية β (°) | عزم الدوران المرهق TF kn · م | كمية مرنة LS MM | الحجم (مم) | الجمود الدوار كجم2 | الوزن (كجم) | |||||||||||
| lmin | D1 (JS11) | D2 (H7) | D3 | LM | اختصار الثاني | k | t | b (h9) | g | lmin | يزيد 100 مم | lmin | يزيد 100 مم | ||||||
| SWC180DH1 | 180 | 20 | 10 | ≤25 | 75 | 650 | 155 | 105 | 114 | 110 | 8-17 | 17 | 5 | - | - | 0.165 | 0.0070 | 58 | 2.8 |
| SWC180DH2 | 55 | 600 | 0.162 | 56 | |||||||||||||||
| SWC180DH3 | 40 | 550 | 0.160 | 52 | |||||||||||||||
| SWC225DH1 | 225 | 40 | 20 | ≤15 | 85 | 710 | 196 | 135 | 152 | 120 | 20 | 5 | 32 | 9.0 | 0.415 | 0.0234 | 95 | 4.9 | |
| SWC225DH2 | 70 | 640 | 0.397 | 92 | |||||||||||||||
| SWC250DH1 | 250 | 63 | 31.5 | ≤15 | 100 | 795 | 218 | 150 | 168 | 140 | 8-19 | 25 | 6 | 40 | 12.5 | 0.900 | 0.0277 | 148 | 5.3 |
| SWC250DH2 | 70 | 735 | 0.885 | 136 | |||||||||||||||
| SWC285DH1 | 285 | 90 | 45 | ≤15 | 120 | 950 | 245 | 170 | 194 | 160 | 8-21 | 27 | 7 | 40 | 15.0 | 1.876 | 0.0510 | 229 | 6.3 |
| SWC285DH2 | 80 | 880 | 1.801 | 221 | |||||||||||||||
| SWC315DH1 | 315 | 125 | 63 | ≤15 | 130 | 1070 | 280 | 185 | 219 | 180 | 10-23 | 32 | 8 | 40 | 15.0 | 3.331 | 0.0795 | 346 | 8.0 |
| SWC315DH2 | 90 | 980 | 3.163 | 334 | |||||||||||||||
| SWC350DH1 | 350 | 180 | 90 | ≤15 | 140 | 1170 | 310 | 210 | 267 | 194 | 10-23 | 35 | 8 | 50 | 16.0 | 6.215 | 0..2219 | 508 | 15.0 |
| SWC350DH2 | 90 | 1070 | 5.824 | 485 | |||||||||||||||
| SWC390DH1 | 390 | 250 | 125 | ≤15 | 150 | 1300 | 345 | 235 | 267 | 215 | 10-25 | 40 | 8 | 70 | 18.0 | 11.125 | 0.2219 | 655 | |
| SWC390DH2 | 90 | 1200 | 10.763 | 600 | |||||||||||||||
* 1. * 2. lmin أقل طول بعد القطع. * 3. طول الثابت ، وهو وفقًا للمتطلبات
يعد اقتران المفصل العالمي SWC ، الذي يُطلق عليه غالبًا ما يطلق عليه SWC Cardan Shaft Universal Coint Coint ، مكونًا رئيسيًا في السيناريوهات الصناعية الشاقة. لا غنى عنه بالنسبة لمطاحن المتداول ، وآلات الرفع ، وأنظمة الآلات الثقيلة على نطاق واسع. كاقتران عالمي عالمي عالٍ ، يمكنه توصيل موقعي للإرسال بشكل فعال بمحاور غير مملوءة ، مما يضمن انتقال الطاقة دون انقطاع حتى في ظل ظروف عمل معقدة وقاسية.
المعلمات التقنية الأساسية لهذا الاقتران هي كما يلي:
قطر الجري: φ58 - φ620
عزم الدوران الاسمي: 0.15 - 1000 كيلو نيوتن م
زاوية طية المحور: ≤25 °
في التطبيقات العملية ، يعمل بشكل جيد بشكل استثنائي. على سبيل المثال ، أثناء عمليات مطحنة المتداول ، عندما تكون هناك حاجة إلى اقتران مفصل عالمي موثوق به مخصص لمطاحن المتداول ، أو في معدات الرفع ومعالجة المواد ، عندما يكون هناك حاجة إلى اقتران متين متصمم من عمود المفاصل SWC عالمي ، يكون هذا المنتج مؤهلاً تمامًا. حتى في ظل الأحمال الثقيلة ، يمكنه الحفاظ على الثبات التشغيلي للمعدات بشكل ثابت.
تم تصميم اقتران SWC Universal المشترك باستخدام مبادئ الهندسة المتقدمة ، مما يقدم أداءً استثنائياً وحياة خدمة أطول في البيئات الصناعية. ميزاتها الهيكلية الرئيسية هي كما يلي:
بنية معقولة وآمنة: يتميز بتصميم متكامل لرأس الشوكة ، فإن اقتران المفصل العالمي الصناعي يقلل من خطر تخفيف الترباس أو الكسر ، مما يزيد من القوة الهيكلية بنسبة 30 ٪ -50 ٪. يضمن هذا التصميم تشغيلًا آمنًا وموثوقًا ، ويمتد عمر الخدمة مقارنة بالنماذج التقليدية ، ويمنع الإخفاقات الشائعة في سيناريوهات الضغط العالي مثل أنظمة اقتران المفاصل الشاملة للآلات الثقيلة.
سعة الحمل المحسّنة: تم تصميم اقتران المفصل الشاق SWC الشاق على وجه التحديد لتحمل الأحمال الثقيلة ، مما يجعله ضروريًا في السيناريوهات التي تتطلب إدارة ممتازة مثل التعدين أو آلات البناء.
كفاءة انتقال عالية: مع كفاءة تصل إلى 98.6 ٪ ، فإن هذا الاقتران الشامل الفعال للنقل العالي الطاقة يقلل بشكل كبير من استهلاك الطاقة والتكاليف ذات الصلة ، مما يجعلها الخيار الأول لحلول اقتران المفاصل الشاملة الموفرة للطاقة في أنظمة الإرسال الصناعية عالية الطاقة.
التشغيل المستقر مع ضوضاء منخفضة: يعمل اقتران المفصل العالمي منخفض الضوضاء بشكل ثابت مع مستويات الضوضاء عادة ما بين 30-40 ديسيبل (A) ، مما يضمن أداء هادئ. إنه مثالي للبيئات الحساسة للضوضاء مع الحفاظ على موثوقية عالية.
أصبحت أدوات التوصيل الشامل العالمي ، وخاصة اقتران مشترك SWC Cardan Shaft ، مكونات نقل لا غنى عنها في التطبيقات الصناعية بسبب مزاياها المتميزة. يمكنهم تلبية الاحتياجات الأساسية مع أدائهم في مجالات مثل الآلات الثقيلة وتصنيع الدقة ونقل الطاقة. فيما يلي تحليل مفصل لمزاياه الرئيسية:
1. انتقال عزم الدوران القوي وتعويض اختلال ممتاز
كاقتران عالمي عالمي عالية ، يمكن أن ينقل بشكل ثابت أحمالًا عالية الطاقة. حتى في السيناريوهات التي يحدث فيها اختلال العمود بشكل متكرر أثناء عمليات مطحنة المتداول-مثل الإزاحة المحورية التي تسببها التآكل الأسطوانة وتغيرات درجات الحرارة أثناء تدحرج الصلب-يمكن أن يكون اقتران المفاصل الشاقية الموثوق به لعمليات مطحنة المتداول معالجته بسهولة. يمكن أن تعوض في وقت واحد عن الاختلالات الزاوية والمحورية والشعاعية ، مع وجود اختلال زاوي أقصى يصل إلى 25 درجة. يمنع هذا التحالف الممتاز للتكيف مع مربى الإرسال الناتجة عن اختلال العمود ، ويضمن توصيل الطاقة المستمر والمستقر ، ويقلل بشكل كبير من احتمال الفشل الميكانيكي في ظل ظروف العمل القصوى ، ويضمن التشغيل المستمر لخطوط الإنتاج.
2. المتانة العالية وحياة خدمة أطول
يتركز التصميم واختيار المواد من أدوات التوصيل المفصل العالمي SWC على "مقاومة الأحمال الثقيلة وبيئات قاسية". يتكون الجسم الرئيسي من الصلب عالي القوة ، جنبًا إلى جنب مع بنية رأس شوكة متكاملة ، مما يقلل بشكل أساسي من نقاط الفشل الشائعة مثل تخفيف الترباس وكسر المكون. أخذ اقتران عمود المفاصل العالمي الدائم في SWC المستخدم في معدات الرفع ومعالجة المواد كمثال ، يمكنه تحمل حمل الحمل الفوري عند رفع الأشياء الثقيلة والحفاظ على أداء مستقر في بيئات قاسية مثل الغبار ودرجات الحرارة العالية. بالمقارنة مع توصيلات الانقسام التقليدي ، فإن اقتران المفصل العالمي الصناعي هذا يزيد قوة إجمالية بنسبة 30 ٪ -50 ٪ ، مما لا يقلل من تواتر الصيانة اليومية فحسب ، بل يمتد أيضًا عمر الخدمة بمقدار 2-3 سنوات. إنه مناسب بشكل خاص لاحتياجات التشغيل العالية على المدى الطويل لأنظمة اقتران المفاصل الشاملة للآلات الثقيلة.
3. كفاءة انتقال عالية وتأثير كبير لتوفير الطاقة
أظهرت الاختبارات أن كفاءة انتقال الإرسال في اقتران المفصل الشاق SWC الشاق تصل إلى 98.6 ٪ ، والذي له مزايا واضحة في سيناريوهات الإرسال الصناعية عالية الطاقة-مثل مراوح فرن الصب في مصانع الصلب وأنظمة نقل الفحم في محطات الطاقة. بالنسبة للمعدات التي تتطلب انتقالًا مستمرًا عالي الطاقة ، فإن المطابقة مع اقتران المفصل العالمي الفعال هذا يمكن أن يقلل من فقدان الطاقة. بالنسبة للمؤسسات التي تتابع حلول اقتران المفاصل الشاملة لتوفير الطاقة ، يمكن تحويل هذه الكفاءة العالية بشكل مباشر إلى مزايا تكلفة: أخذ محرك صناعي 1500 كيلو وات كمثال ، يمكن أن يوفر أكثر من 12000 يوان في تكاليف الكهرباء في السنة ، ويمكن أن تساعد المؤسسات على تقليل تكاليف التشغيل الكبيرة في الاستخدام طويل الأجل ، مع امتثال لتوفير الطاقة والاستثمار في مجال التحويل في المجال الصناعي.
4. عملية مستقرة وهادئة ، مناسبة لسيناريوهات متعددة
من خلال تحسين دقة الحمل الملائمة واستخدام الشحوم التشحيم مع معامل الاحتكاك المنخفض ، يتم التحكم في الضوضاء التشغيلية لهذا الاقتران الشامل للضوضاء المنخفضة في المكتب اليومي ويتوافق تمامًا مع معارف انبعاث الضوضاء للمواقع الصناعية. في السيناريوهات الحساسة للضوضاء-مثل خطوط الإنتاج في مصانع معالجة الأغذية ومعدات نقل المعدات للمكونات الإلكترونية الدقيقة-لا يمكن أن تضمن فقط ثبات وموثوقية نظام النقل ولكن أيضًا تجنب التأثير على بيئة ورشة العمل أو تجربة تشغيل الموظفين بسبب الضوضاء. في الوقت نفسه ، يمكن أن تقلل خصائص الإرسال المستقرة أيضًا من تآكل المكونات المحيطة الناجمة عن اهتزاز المعدات ، مما يؤدي إلى تحسين استقرار التشغيل وعمر الخدمة في نظام الإنتاج بأكمله.
يستخدم اقتران Universal Universal SWC-DH من نوع SWC-DH ، والذي يشار إليه غالبًا باسم اقتران مفصل SWC Cardan Universal ، بشكل أساسي في سيناريوهات الآلات الثقيلة مثل المطاحن المتداول والرافعات. يحتوي هذا النوع من المعدات على متطلبات عالية للغاية للضغط الهيكلي والمرونة - فقط من خلال تلبية هاتين النقطتين يمكن تحقيق تشغيل فعال ، وهذا الاقتران يلبي مثل هذه الاحتياجات. كاقتران عالمي عالمي للغاية ، يمكنه توصيل موقعي للإرسال بشكل فعال بمحاور غير مملوءة ، مما يضمن انتقال الطاقة السلس حتى في البيئات الصناعية القاسية التي تتطلب تعويضًا دقيقًا عن اختلال نظام العمود.
في التطبيقات العملية ، سواء كان هناك حاجة إلى اقتران مفصل عالمي موثوق به لعمليات مطحنة المتداول أثناء عمل مطحنة المتداول ، أو أن اقتران عمود عمود SWC عالمي متين مطلوب في معدات الرفع ومعالجة المواد ، يمكن أن يؤدي هذا المنتج بشكل ممتاز-يمكنه الحفاظ على تشغيل المعدات المستقرة حتى تحت الحملات القصوى. تعتبر ميزة القدرة على التكيف بارزة بشكل خاص في تخطيطات المعدات المدمجة حيث تكون المساحة محدودة وتصميم بنية مرنة قصيرة.
تم تصميم اقتران المشترك العالمي الصناعي SWC-DH مع تقنية هندسية متقدمة ومُحسّنة للأداء والخدمة على وجه التحديد للسيناريوهات الصناعية. تكمن الميزات الهيكلية الأساسية في تصميمها المعقول والآمن: إن بنية رأس الشوكة المتكاملة يزيل بشكل أساسي المخاطر الخفية المتمثلة في تخفيف الترباس أو الكسر ، مما يزيد من القوة الكلية بنسبة 30 ٪ -50 ٪. لا يضمن هذا التصميم سلامة وموثوقية التشغيل فحسب ، بل يمتد أيضًا حياة الخدمة مقارنة بالنماذج التقليدية ، مع تجنب مشاكل الفشل الشائعة في سيناريوهات التطبيق عالية الإجهاد مثل أنظمة اقتران المفاصل الشاملة للآلات الثقيلة.
بالإضافة إلى ذلك ، يتم تعزيز قدرتها على الحمل من خلال التصميم لتحمل الأوزان الأكبر ، لذلك فإن اقتران المفصل الشاق SWC الشاق هذا مناسب جدًا للسيناريوهات مع متطلبات صارمة على قدرة الحمل ، مثل آلات التعدين ومعدات البناء. من حيث كفاءة النقل ، فإنه يصل إلى 98.6 ٪. باعتباره اقتران مفصل عالمي فعال لنقل الطاقة الكبير ، يمكن أن يقلل بشكل كبير من استهلاك الطاقة وتكاليف الكهرباء ، مما يجعله منتجًا مفضلاً لحلول اقتران المفاصل العالمية الموفرة للطاقة في مجال الإرسال الصناعي ذي الطاقة العالية.
أخيرًا ، يتميز هذا الاقتران بإرسال مستقر ، مع ضوضاء التشغيل عادةً ما يتم التحكم فيه عند 30-40 ديسيبل (A) ، مما يجعله اقترانًا عالميًا منخفضًا من المفاصل. تتيح هذه الخاصية أن تعمل بهدوء حتى في السيناريوهات الصناعية الحساسة للضوضاء مع الحفاظ على موثوقية عالية في جميع الأوقات.
⭐⭐⭐⭐⭐ Wang Lei ، مهندس المشروع ، شركة Guangdong Heavy Machinery Co. ، Ltd.
لقد كنا نستخدم اقتران Universal الخاص بـ SWC-DH من نوع SWC-DH من Raydafon في آلاتنا الثقيلة لفترة من الوقت الآن ، وكانت مفاجأة سارة-خاصة عندما يتعلق الأمر بالتركيب في أماكن ضيقة. تحتوي معداتنا على مساحة محدودة جدًا لقطع غيار الإرسال ، لكن التصميم المدمج لهذا الاقتران يناسب مثل القفاز ، ولا حاجة لإعادة ترتيب المكونات الأخرى فقط لجعلها تعمل.
ما هو أفضل هو أنه لا يضحي بالأداء من أجل الحجم. لا يزال يوفر انتقال عزم الدوران قوي وثابت-حرجة لعملياتنا الشاقة. لقد قمنا بتشغيله بشكل مستمر لعدة أسابيع ، وكان هناك اهتزاز غير طبيعي. يبقى النظام بأكمله على نحو سلس. تعد جودة اللحام تسليط الضوء على آخر أيضًا-يمكنك أن تخبرها صلبة فقط من خلال النظر إليها ، مما يمنحنا ثقة تامة في أنها ستمسك بالاستخدام الكثيف على المدى الطويل. للحصول على اقتران يوازن بين التصميم وموثوقية توفير المساحة ، هذا الفائز.
⭐⭐⭐⭐⭐ تشاو مينغ ، مدير المشتريات ، شركة Tianjin Steel Equipment ، Ltd.
لقد طلبنا مؤخرًا العديد من أدوات التوصيل SWC-DH من Raydafon ، ويجب أن أقول ، إن عملية المشتريات بأكملها كانت نسيمًا-لا الصداع ، لا تأخير. منذ اللحظة التي أرسلنا فيها بالترتيب ، كان فريقهم متجاوبًا ، وظهر التسليم مباشرة في التاريخ المقرر ، وهو إضافة كبيرة للحفاظ على إنتاجنا على المسار الصحيح. كانت العبوة أيضًا من الدرجة الأولى: تم لف كل اقتران بشكل آمن ، لا يوجد خدوش أو أضرار أثناء الشحن-جاهزة تمامًا لإلغاء الظهر والتثبيت.
تعامل فريقنا الفني مع الإعداد ، وذكروا على الفور مدى سهولة التثبيت. لا توجد خطوات معقدة ، لا حاجة للبحث عن أدوات خاصة - لقد تم تركيبها بسرعة ، وهي تعمل بشكل موثوق منذ ذلك الحين. عندما تعامل في السعر المعقول المقترن بهذا الأداء المتسق ، فمن الواضح أن هذا الاقتران يوفر قيمة كبيرة. نحن نخطط بالفعل للحفاظ عليها في قائمة المشتريات العادية لدينا ؛ إنه نوع المنتج الذي يجعل وظيفتي كمشتري أسهل.
⭐⭐⭐⭐⭐ ليو هونغ ، مدير الصيانة ، مجموعة شاندونغ الصناعية
بصفتي شخصًا يشرف على صيانة المعدات ، فإن أولوياتي الأكبر هي تقليل وقت التوقف عن العمل وتقليل الوقت الذي يقضيه فريقي في خدمة الأجزاء. يقوم اقتران SWC-DH من Raydafon بفحص كلا الصناديق تمامًا. نستخدمه في المعدات التي تعمل تحت عبء العمل الثقيل يوميًا ، ولا تنزلق أو تحولات أبدًا - في مكانها في مكانها ، ولا توجد اتصالات فضفاضة. حتى بعد أشهر من الاستخدام ، بالكاد لا يوجد أي علامة على التآكل ، وهو ما يتناقض بشكل كبير مع التوصيلات الأخرى التي استخدمناها من قبل.
مع تلك التوصيلات الأقدم ، كنا دائمًا جدولة إصلاحات سريعة أو بدائل للأجزاء ، والتي تناولت وقت الإنتاج وأضيفت التكاليف. هذا؟ بالكاد نلمسها - لا توجد خدمة متكررة ، لا توجد أعطال غير متوقعة. لقد وفر لنا الكثير من الوقت والمال على الصيانة ، ويستمر في القيام بعمله بشكل موثوق. في هذه الأيام ، أصبح مكونًا في عملياتنا اليومية ؛ لا داعي للقلق بشأن الفشل ، مما يتيح لي التركيز على أولويات أخرى. إنه بالضبط نوع الجزء الموثوق به لكل فريق صيانة.
عنوان
منطقة Luotuo الصناعية ، مقاطعة Zhenhai ، مدينة نينغبو ، الصين
هاتف
بريد إلكتروني


+86-574-87168065


منطقة Luotuo الصناعية ، مقاطعة Zhenhai ، مدينة نينغبو ، الصين
حقوق الطبع والنشر © Raydafon Technology Group Co. ، محدودة جميع الحقوق محفوظة.
Links | Sitemap | RSS | XML | سياسة الخصوصية |
